致力于电力、石化、冶金、煤炭等行业产品的设计、制造和销售和应用系统集成
为用户提供完整的解决方案和全方位的服务
联系座机:0516-85133383 83537655
联系传真:0516-83509655
联系邮箱:xzhaide@163.com
联系地址:江苏省徐州市铜山区安全科技产业园C2-107
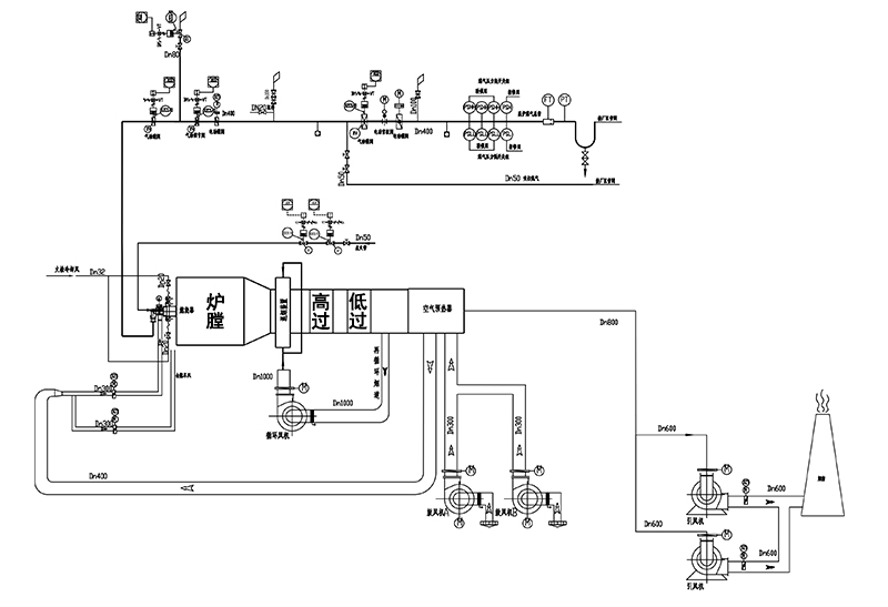
应用范围:有富余饱和蒸汽的企业
适用燃料:高炉煤气等各种气体燃料
使用工况:冶金及化工行业很多工艺都会产出饱和蒸汽,同时也会有一些富余的高炉煤气、干气及其他工艺尾气,过热炉可以将这些富余的饱和蒸汽及燃气利用起来产出过热蒸汽及热烟气用于发电或其他工艺段适用。
特点:
1、 配置灵活,可根据企业需要只产出过热蒸汽,也可以产出过热蒸汽及中高温烟气。
2、 燃料来源广泛,各种有热值的燃气都可以作为过热炉的燃料使用。
3、 蒸汽过热炉焚烧段还可以兼顾废气焚烧炉的作用处理一些废气,各种废气均可通入蒸汽过热炉焚烧段焚烧处理。
4、系统自动化程度高,操作简单,安全可靠。
5、定制开发,可根据工艺需要专门设计。
返回列表
低氮燃烧器和超低氮燃烧器类型
FSSS系统功能
煤气着火事故预防及应急预案处理
电气设备的使用与维护
QQ咨询
咨询电话
在线留言
返回顶部